Yüksek güçlü 1653,7nm Lazer modülü, alt taşıyıcıda çip bulunan düzlemsel bir yapı kullanır. Yüksek güç çipi, epoksi içermeyen ve akı içermeyen 14 pimli kelebek paketinde hava geçirmez şekilde kapatılmıştır ve bir Yüksek kaliteli lazer performansını güvence altına almak için termistör, termoelektrik soğutucu ve monitör diyotu. Metan gazı tespiti için 1653 nm 40 mW BTF lazer diyot, Telcordia GR-468 onaylıdır ve RoHS direktiflerine uygundur.
Yüksek güçlü 1653,7nm Lazer modülü, alt taşıyıcıda çip bulunan düzlemsel bir yapı kullanır. Yüksek güçlü çip, epoksi içermeyen ve akı içermeyen 14 pinli kelebek paketinde hava geçirmez şekilde kapatılmıştır ve yüksek kaliteli lazer performansını garantilemek için bir termistör, termoelektrik soğutucu ve monitör diyotu ile donatılmıştır. Lazer ürünlerimiz Telcordia GR-468 onaylıdır ve RoHS direktiflerine uygundur.
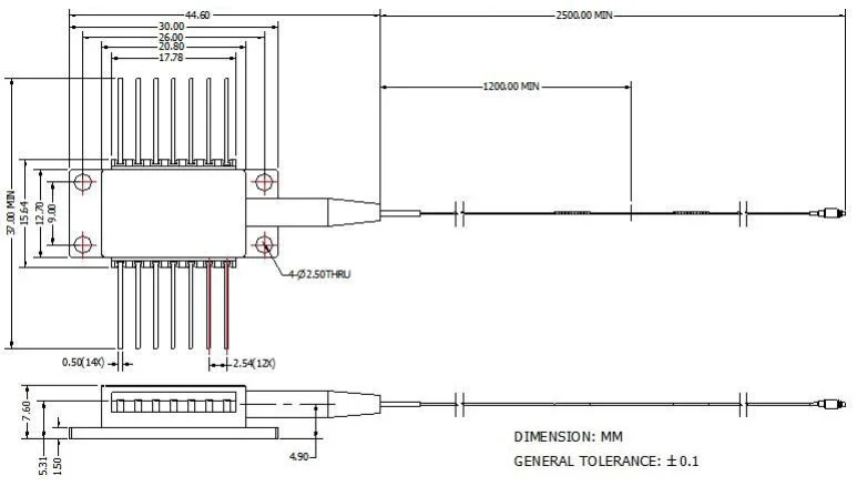
● Endüstri standardında 14 pinli kelebek paketi;
● Yerleşik TEC ve optik yalıtıcı;
● Yüksek performanslı, çok kuantum kuyulu (MQW) dağıtılmış geri beslemeli (DFB) lazer.
● Gaz algılamaya yönelik pasif bileşenlerin üretim testleri;
● Fiber gaz algılama sistemi;
● Lazer kaynakları.
| Parametre | Sembol | Durum | Min. | Tip. | Maks. | Birim |
| Merkez dalga boyu | lc | Tl = 15~35°C | 1652.7 | 1653.7 | 1654.7 | nm |
| Optik çıkış gücü | Sonrasında | CW | - | 40 | - | mW |
| LD Eşik akımı | ITH | CW | - | 15 | 40 | mA |
| LD İleri akım | Eğer | Pf =Nominal Güç | - | 300 | 400 | mA |
| Optik izolasyon | - | -10 < TC < +70°C | 30 | - | - | dB |
| Yan mod bastırma oranı | SMSR | CW | 35 | 40 | - | dB |
| Duyarlılığı izleyin | Aşılama | - | - | 1 | 20 | / mw idi |
| Yanıt verme kararlılığını izleyin | - | - | - | - | %20 | - |
| Karanlık akımı izleyin | İD | VPD =5V | - | - | 50 | yok |
| TEC Akımı | ITEC | Durum =75°C | - | - | 2 | A |
| TEC Gerilimi | VTEC | Durum =75°C | - | - | 3.5 | V |
| TEC güç tüketimi | P | Tstg =25°C | - | - | 5 | W |
| Termistör Direnci | Rth | Durum =75°C | 9.5 | 10 | 10.5 | Kohm |
| Termistör B sabiti | Bth | Tstg =25°C | - | 3900 | - | K |
| Dalga boyu kayması (EOL) | △λ | 25 yıllık kullanım ömrü boyunca test edilmiştir | - | - | ±0,1 | nm |
| Dalga. Sıcaklık katsayısı | Dl/Dt | TEC sıcaklığı 15°C ila 35°C arasında | - | 0.09 | - | nm/° |
| Dalgaboyu Akım katsayısı | DL/DI | - | - | 0.01 | - | NM / inç |

Tüm ürünler gönderilmeden önce test edilmiştir;
Tüm ürünler 1 yıl garantilidir.(Kalite garanti süresinden sonra uygun bakım servis ücreti alınmaya başlandı.)
İşletmenizi takdir ediyoruz ve 7 günlük anında iade politikası sunuyoruz. (Öğeleri aldıktan sonra 7 gün);
Mağazamızdan satın aldığınız ürünler mükemmel kalitede değilse, yani elektronik olarak üreticinin spesifikasyonlarına göre çalışmıyorsa, değiştirme veya para iadesi için bunları bize göndermeniz yeterlidir;
Öğeler kusurluysa, lütfen teslimattan sonraki 3 gün içinde bize haber verin;
Geri ödeme veya değiştirmeye hak kazanmak için tüm öğelerin orijinal hallerinde iade edilmesi gerekir;
Alıcı, ortaya çıkan tüm nakliye masraflarından sorumludur.
S: Dalga boyunun doğruluğu nedir?
C: +/-0,5nm.
S: Çıkış gücünün başka versiyonları var mı?
C: 10mW, 15mW, 50mW.
C-bandı Dar Hat Genişliği Entegre Ayarlanabilir Lazer Tertibatı ITLA
1550nm 40mW 200Khz Dar Hat Genişliği DFB Kelebek Lazer Diyot
1550nm 40mW 600Khz DFB Kelebek Paketi Dar Hat Genişliği Lazer Diyot
1550nm 50mW 100Khz Dar Çizgi Genişliği DFB Kelebek Lazer Diyot
1550nm 2mW 5mW Dar Hat Genişliği Koaksiyel Lazer Diyot
1550NM 100MW 100kHz Dar Çizgi Genişlik DFB Lazer Diyot BTF SM/PM FiberTelif Hakkı @ 2020 Shenzhen Box Optronics Technology Co., Ltd - Çin fiber optik modülleri, fiber birleştirilmiş lazer üreticileri, lazer bileşenleri tedarikçileri tüm hakları saklıdır.