Metan Sensörü CH4 Algılama için 1653nm 40mW DFB Lazer Diyot, alt taşıyıcıda çip bulunan düzlemsel bir yapı kullanır. Yüksek güçlü çip, epoksi içermeyen ve akı içermeyen 14 pinli kelebek paketinde hava geçirmez şekilde kapatılmıştır ve yüksek kaliteli lazer performansını garantilemek için bir termistör, termoelektrik soğutucu ve monitör diyotu ile donatılmıştır. Lazer ürünlerimiz Telcordia GR-468 onaylıdır ve RoHS direktiflerine uygundur.
Metan Sensörü CH4 Algılama için 1653nm 40mW DFB Lazer Diyot, alt taşıyıcıda çip bulunan düzlemsel bir yapı kullanır. Yüksek güçlü çip, epoksi içermeyen ve akı içermeyen 14 pinli kelebek paketinde hava geçirmez şekilde kapatılmıştır ve yüksek kaliteli lazer performansını garantilemek için bir termistör, termoelektrik soğutucu ve monitör diyotu ile donatılmıştır. Lazer ürünlerimiz Telcordia GR-468 onaylıdır ve RoHS direktiflerine uygundur.
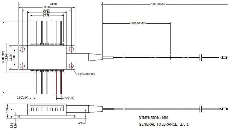
Endüstri standardı 14 pinli kelebek paketi;
Dahili TEC ve optik izolatör;
Yüksek performanslı, çoklu kuantum kuyulu (MQW) dağıtılmış geri beslemeli (DFB) lazer.
Gaz tespiti için pasif bileşenlerin üretim testleri;
Fiber gaz algılama sistemi;
Lazer kaynakları.
| Parametre | Sembol | Durum | Min. | Tip. | Maks. | Birim |
| Merkez dalga boyu | λc | TL=15~35°CW | 1652.7 | 1653.7 | 1654.7 | nm |
| Optik çıkış gücü | Po | CW | - | 40 | - | mW |
| LD Eşik akımı | ITH | CW | - | 15 | 40 | mA |
| LD İleri akım | Eğer | Pf =Nominal Güç | - | 300 | 400 | mA |
| Optik izolasyon | - | -10 < TC < +70°C | 30 | - | - | dB |
| Yan mod bastırma oranı | SMSR | CW | 35 | 40 | - | dB |
| Duyarlılığı izleyin | ben /Pf | - | - | 1 | 20 | uA/mW |
| Yanıt verme kararlılığını izleyin | - | - | - | - | %20 | - |
| Karanlık akımı izleyin | İD | VPD =5V | - | - | 50 | yok |
| TEC Akımı | ITEC | Durum =75°C | - | - | 2 | A |
| TEC Gerilimi | VTEC | Durum =75°C | - | - | 3.5 | V |
| TEC güç tüketimi | P | Tstg =25°C | - | - | 5 | W |
| Termistör Direnci | Rth | Durum =75°C | 9.5 | 10 | 10.5 | Kohm |
| Termistör B sabiti | Bth | Tstg =25°C | - | 3900 | - | K |
| Dalga boyu kayması (EOL) | △λ | 25 yıllık kullanım ömrü boyunca test edilmiştir | - | - | ±0,1 | nm |
| Dalga. Sıcaklık katsayısı | Δλ/ΔT | TEC sıcaklığı 15°C ile 35°C arasında | - | 0.09 | - | nm/° |
| Dalgaboyu Akım katsayısı | Δλ/ΔΙ | - | - | 0.01 | - | nm/mA |

Tüm ürünler gönderilmeden önce test edilmiştir;
Tüm ürünler 1-3 yıl garantilidir.(Kalite garanti süresinden sonra uygun bakım servis ücreti alınmaya başlandı.)
İşletmenizi takdir ediyoruz ve 7 günlük anında iade politikası sunuyoruz. (Öğeleri aldıktan sonra 7 gün);
Mağazamızdan satın aldığınız ürünler mükemmel kalitede değilse, yani elektronik olarak üreticinin spesifikasyonlarına göre çalışmıyorsa, değiştirme veya para iadesi için bunları bize göndermeniz yeterlidir;
Öğeler kusurluysa, lütfen teslimattan sonraki 3 gün içinde bize haber verin;
Geri ödeme veya değiştirmeye hak kazanmak için tüm öğelerin orijinal hallerinde iade edilmesi gerekir;
Alıcı, ortaya çıkan tüm nakliye masraflarından sorumludur.
S: Dalga boyunun doğruluğu nedir?
C: +/-0,5nm.
S: Çıkış gücünün başka versiyonları var mı?
C: 10mW, 15mW, 50mW.
NH3 Algılama için 1512nm 10mW DFB 14PIN Kelebek Lazer
Nem H2O Algılama için 1392nm DFB Kelebek Lazer Diyot
CH4 Algılama için 1653nm DFB Kelebek Lazer Diyot
CO Algılama için 1567nm DFB Kelebek Lazer Diyot
Hidrojen Sülfür Algılama için 1578nm 10mW DFB Lazer Diyot
CO2 Tespiti için 1580nm DFB Kelebek Lazer DiyotTelif Hakkı @ 2020 Shenzhen Box Optronics Technology Co., Ltd. - Çin Fiber Optik Modüller, Fiber Bağlantılı Lazerler Üreticileri, Lazer Bileşenleri Tedarikçileri Tüm Hakları Saklıdır.